1
NEW PROCESSING STRATEGIES FOR HEMP
KAI M. NEBEL
INSTITUTE FÜR ANGEWANDTE
FORSCHUNG Alteburgstr. 150 D-72762
Reutlingen, Germany
Nebel, K. M. 1995 New processing strategies for hemp
Journal of the International Hemp Association 2(1): 1, 6-9.
The traditional processing of hemp fibre is technology that is at least 50 years old. Its problems and the requirements for new methods are explained. Steam explosion principles are described and an initial demonstration has revealed its utility for transforming raw hemp fibre into a material whose texture and properties are comparable with or superior to cotton and "cottonized" hemp. Economic and environmental factors are analyzed and found favorable for broad industrial application of this new technology.
Introduction
Bast fibres and
particularly hemp possess by nature a high degree of variability and as a valuable raw
material are suitable for the most diverse of industrial uses. The traditional
processing of hemp however is at a technological level to that of 50 years ago and
correspondingly unproductive. In order to produce competitive products and to use
the multiple properties of the hemp fibre economically and ecologically the development or
the application of processing methods is indispensable. Independent of whether hemp
fibres can be applied for textile or technical uses, they should be able to be processed
on existing machines and factories without involving extensive new developments.
Steam explosion technology enables the
production of special fibres which can be modified according to products or test
requirements. Through the adaptation of the process engineering,
"tailor-made" fibres can be manufactured, which, for example, can be spun into
new types of hemp yarn in cotton spinning. The same applies to the production of
special fibres for use in the wool industry (worsted or woolen spinning yarns), or for
specific technical uses such as non-woven fabrics, filter elements etc.
In the following explanation, the problems
of traditional hemp processing shall be explained, as well as a listing of requirements
for new methods and possibilities. With examples from selected research results, the
numerous possibilities of the steam explosion technology for the production of new,
innovative hemp products shall be mentioned.

Figure 1. Schematic exhibit of traditional hemp processing.
Traditional hemp processing
The traditional processing of hemp can generally be divided
into 3 areas:
1. Long fibre processing
The long fibre
processing of hemp is used mainly in the production of wet-spun hemp yarns. Due to
the dimension of fibres, only special machinery with a low degree of automation, can be
employed. New developments in the field of machining technology cannot be expected
in the near future, due to high investment costs.
After harvesting and a more or less complete
retting process (dew retting, water retting), the de-leafed hemp stems are then dried i.e.
conditioned and freed from wood kernel in a sequence of squeeze, break and scutching
processes. By using a so-called hemp softener or roller, the decorticated fibres are
made softer and more supple. The shortening of the initial fibre lengths from up to
3 m down to 650 mm is done on a special cutting machine. The short and tangled
fibres are combed out, the long fibres are parallelized and smoothed using a hackling
machine. After several drawing and doubling passages, the manufactured slivers are
pre-spun to roving yarns and according to quality and the desired yarn fineness, spun into
hemp yarn by wet or dry spinning processes.
2. Tow processing
The term 'tow'
is given to fibres which are derived from the scutching and hackling process. They
are separated from long fibres, shorter and still contain mostly wood, dirt particles or
trash. In the processing of tow, the scutching and hackling tow is spun to coarse
yarn or cord in a dry or wet spinning process according to several levels of purity,
including refining and parallelizing, by means of different carding machines (carding of
different intensities). Several of the tow qualities along with unspinnable fibres
are also processed to technical products such as insulating material and molds. With
these "low quality" fibres, there is still great potential for improving its
added value. Through new processing methods, the applications for tow including its
product added value can be increased.
3. Cottonization
Investigations
were already being made in the last century concerning the "cottonization" of
hemp. Due to a higher productivity in the cotton industry as compared to the bast
industry, the bast fibres were arranged in length and spin-technical characteristics
according to those of cotton (cottonization), so that the processing of fibres could be
carried out on cotton machines. Sticky substances such as pectin, lignin etc.,
responsible for tenacity in wet spun hemp yarns, must be removed in the cottonization
process as far as possible to gain a more or less complete isolation of single
fibres. This can be done by using various methods of elementarization as with purely
mechanical cottonizing or chemical-mechanical methods. As spinning of completely
isolated fibre cells is normally no longer possible, the bast should be fully
elementarized in the production of cottonized fibres (in technical terms also called
"loose stock bast") whereby not all accompanying substances are quantitatively
removed in order to gain more cells seen as a fibre bundle.
An original cottonizing process always presents
a "degree of fluctuation" from a total elementarization (loss of spinability),
and an insufficient elementarization of fibres for the production of fine yarn quality,
resulting in too coarse fibre bundles (Waenting 1937).
New possibilities and uses
Above all, to
secure a long term competitiveness for hemp fibres and a position in the market, its
potential through new products and uses must be increased. When the highest degree
of effectiveness has been established, products for use in the field of textiles can be
realized. In the face of problems in the traditional processing of hemp, it appears
plausible to increase efforts in future developments and innovations in the area of short
and total fibres.
As an example, to be able to introduce hemp to
the area of high quality clothing, which at the moment is governed by cotton or wool,
preparation and processing characteristics must be greatly improved to match hemp fibres
to those of cotton or wool. This means that the hemp fibres must be modified through
a special elementarization method, so that they can be processed on modern and productive
industrial textile equipment e.g. cotton spinning mills, to high quality yarns (Nebel
1994/95).
The hemp fibres and yarns currently on the
market do not fulfill the requirements of the textile industry. In regard to fibre
fineness, homogeneity, flexibility and especially the distribution or fibre length, the
textile industry is faced with vast processing problems. To enable an industrial
application of hemp fibres, the requirements of the cotton and wool industry must be taken
into account.
Technology requirements for the production of new yarns from
hemp short fibres with the aid of cotton technology
In Europe,
approximately 70% of all processed yarn lies within a fineness degree of Nm 20 - Nm 401). At
present for hemp yarns, this degree of fineness is not available. This area of
fineness should become a target in the production of hemp yarns.
In the processing of hemp as a natural product,
from a straw-like, agricultural product to high value raw material for modern industrial
sectors, development of processing technology is required which facilitates a design of
the fibres, corresponding to processing possibilities (cotton spinning), and the desired
end product (yarn). The requirement is that the profile of hemp fibres should
strongly resemble that of cotton, to avoid any extensive modifications of cotton machines
(Nebel 1994).
The significant technological characteristics
including different levels of significance according to spinning systems are listed in
Table 1.
Table 1. Technological fibre characteristics depending on spinning systems.
RING SPINNING |
ROTOR SPINNING |
Fibre
Length |
Fibre
Tenacity |
While fibre length and fibre fineness are
the two most important factors in the production of yarn on ring spinning machines, in
rotor spinning it is the fibre tenacity and elongation of fibres which are predominantly
important for successful spinning. In the rotor spinning method, fibre length plays
a secondary role (Schenek 1993).
In the preparation of fibres, the intended cotton spinning
system must be taken into account. The entire process of short fibre processing is
influenced by a number of parameters as shown in Figure 2.
Figure 2. Influencing parameters in short fibre technology

The raw material used in the
processing of hemp plays a decisive role in that its quality is subject to natural
deviations. To succeed in gaining a defined and high quality end product, the
steering of all processing parameters in accordance with the quality of the raw material
and corresponding to the requirements of the end product, must be possible. This
requires an objective quality control of the input material (raw hemp), the intermediate
product (elementarized or "cottonized" fibres), as well as the end product
(rovings, yarn, finished article).
With aid of Reutlingen's steam explosion
technology, including measuring methods for objective quality control of bast fibres, also
developed at the IAF, it is possible to fulfill these technical requirements essential for
new types of hemp products (Kessler et al. 1992).
Quality assessment and process optimization
Essential raw
material quality criteria are the maturity and the retting degree of hemp, dependent
chemical and morphological properties, as well as specific technological features.
The establishing of quality criteria is carried out with up to date opto-electronic,
spectroscopic and physical tests (Kessler et al. 1993). The evaluation of data and
optimizing of testing is done using modern, statistical methods such as the multivariate
analysis.
The methodology of objective quality
measurements, as well as individual statistical tests shall be detailed later.
Steam explosion technology
In the 1930s,
reference had already been made in patent documents regarding the technology of steam
explosion in obtaining fibres from the straw of fibre plants. Even today, the
principle of this method is used in several different areas, e.g. paper manufacturing and
in the organic substance assessment of raw materials containing lignin (Marchessault
1988).
At the Institute for Applied Research in
Reutlingen, this principle of processing has been developed further, and optimized towards
producing a highly valuable bast fibre (Kessler et al. 1991). By means of an
objective quality control of the raw material and a steering of the process parameter
corresponding to the input quality, a "design" of bast fibres and specific
characteristics, corresponding to spinning technology and the desired end product can be
realized.
The steam explosion principle
In the steam
explosion method, steam, and additives when neccessary, under pressure and with increased
temperature, penetrate the space between fibres of the bast fibre bundle. In this
way, the middle lamella and the fibre adherent substances are elementarized
"softly" and made water soluble. These can be then removed by subsequent
washing and rinsing. According to the desired quality of the elementarized fibres,
the pressure of the steam can also be reduced suddenly to atmospheric, and blown out along
with the substrate, to a settling chamber.
The combination of chemical and mechanical
treatment produces an effective loosening of the rigid bast fibre structure and thereby a
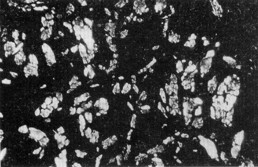
further splitting into single fibres. Figure 3. shows the microscopic cross section
of hemp fibres before and after steam explosion. In the upper section, the hemp
fibres can still be recognized as a very compact bundle of fibres, whereas after steam
explosion (lower section), they are largely separated without the disintegration of single
cells.


Figure 3. Microscopic cross section of hemp fibres before and after steam explosion
Top: raw material
Below: after steam treatment
Steam explosion technique
The entire
process is shown schematically in figure 4. Decorticated, and when possible, well
cleaned fibres are used as raw material. It is of no consequence whether scutched
fibres, tow, or fibres from other processing stages are used. In an optimal steering
of the processing parameters, the objective quality features of fibres, (maturity and
retting degrees, chemical/morphological and technical characteristics), are gained using
modern methods. (Kessler et al. 1994)

Figure 4. Schematic process of the steam technology
The raw or input material is
pre-treated with an impregnating solution and treated in a reactor similar to a pressure
chamber, using saturated steam. Pressure (0-12 bar) and time (1-30 minutes), as well
as the alkaline concentration, are varied depending on the quality and the intended
purpose of fibres. After the necessary reaction time, the reactor is decompressed to
normal pressure by means of a valve (steam explosion). The elementarized fibres are
thereby sent through a tube system to a collecting vessel. Through a sudden
simmering and acceleration of the fibres being sent out, a refining of the fibres takes
place. Those which have been freed from accompanying substances in the steam
explosion process, are rinsed in a follow-up treatment. Here, the fibres can he
washed, dyed or subjected to spin finishing when required. After a drying, and if
needed a first opening process, the fibres can then be delivered for spinning.
According to raw material and the intended application of the fibres, the testing
parameters are adjusted corresponding to so-called "product-property-design"
features (Kessler et al. l994).
Should for example, the hemp fibres be
processed according to worsted spinning, steam explosion may be omitted in order to obtain
necessary increased fibre lengths, e.g. for semi-worsted spinning. For wool spinning
the fibre fineness can be of lower degree than for cotton spinning, so refining by
extrusion is not necessary.
Economical and ecological aspects
The IAF in
Reutlingen has a laboratory elemantarization plant at its disposal including a 25 I
reactor, as well as an adaptable technical research plant in the cellulose industry,
theoretically capable of an annual output in the region of 1000 t fibre. At present
however, production is only possible on a research scale due to the capacity and testing
features of the plant. An industrial steam explosion plant purely for the production
of fibres, does not exist at present. The existing processing technique can however
be adapted to current systems in the cellulose industry, and along with the definition of
a corresponding infrastructure, can also be integrated to existing textile
factories. According to processing and production possibilities, as well as raw
material and product features, the mere fibre elementarization costs in processing lie
between DM 0.5 and DM 2. With view to the current market price of high quality yarn,
DM 15 - DM 25 per kg, and the new technologically associated added value and product
potential factors (Nebel 1994), these influences in production costs are represented
favorably. In addition, the new type of fibre can be processed, in contrast to
traditional hemp processing machines, by highly productive plants in the textile industry.
As merely water, in the form of steam and
highly diluted alkaline compounds and additives are used, an appropriate ecological aspect
is guaranteed. In addition to the applied agents, the degraded accompanying
substances of hemp vapor accumulate in neutral form and are, as with single additives,
biologically degradable. (Kessler 1991). A standard waste water and efficient
recycling system in modern factories also contributes ecologically to the entire
process. Further investigation must be made regarding the agricultural and new
industrial use (pectin - lignin) of waste water from the steam explosion process.
Due to high degrees of purity gained by steam
exploded fibres, reduced amounts of chemicals or dyes are required for further refining
processes (bleaching and coloring) (Kessler et al. 1991).
First results
The steam
explosion process for the production of flax fibres developed at the IAF (Nebel 1994,
Schenek et al. 1993) for use in worsted and cotton spinning, can also be transferred to
the processing of hemp. Trials at the institute have shown (according to the
appointed raw hemp, pre-treatment of raw material and the adaptation of the process) that
fibres can be obtained that are suitable for processing on cotton spinning machines.
Meanwhile, the main factor in development lies in the production of specific hemp fibres
which can be used in the manufacturing of particular yarns in ring and rotor
spinning. The intended manufactured yarns should find their place in denim (jeans),
and according to appropriate optimization, also in knitted articles.
Raw materials and processing techniques
In the face of
the decreasing availability of high-value raw hemp, which is a decisive influencing factor
to future product quality, only tow and scutched raw hemp of low to medium quality, from
different cultivated areas is available. In the trials which will be described in
the following passage, a partially unretted, scutched hemp of Rumanian origin was used as
raw material.
The raw fibres, up to 3 m in length are
shortened to a length of 70 mm using a fibre cutting machine (LaRoche) and elementarized
in the IAF's reactor. The steam explosion processing parameters and the following
treatment are adjusted according to the quality of raw material2). The fibres are
impregnated with a watery solution after which they are subject to a saturated steam
pressure of 8 bar, produced by a generator. After a reaction time of 10 minutes, the
steam is turned down and the fibres are output through an exiting system to a collecting
vessel. Following this, a wash and rinse process is carried out to remove the
decomposed accompanying substances. After a drying of the fibres (hot air), they are
opened using a saw-tooth opener and freed from dust, fibre fragments and remaining
clinging wood by means of a multi-stage cleaner. A further refining and
parallelizing is done using a modified standard cotton card. Following this, the
fibre material is available for spinning.
Comparison of cotton and steam exploded "cottonized"
hemp
Table 2 shows
the technological data of steam treated hemp fibres, in comparison to raw hemp and a
standard cotton quality for rotor spinning. The BF1 value has been measured on a
Kontron image analysis device, the bundle tenacity on a Zellweger Stelometer. The
detection of the fibre length distribution has been carried out on an AL Meter and
Fibroliner device (Peyer).
The image analyais fineness index describes the
medium cross section area of the fibres in (micrometers2). The steam treated hemp
shows about half of the fineness as the used cotton quality, while the coarseness of the
raw hemp lies about 9 times higher. The fineness value of the steamed hemp is
sufficient for fine yarn spinning. Naturally the tenacity of the hemp, even after
cottonization, is with a value of about 60 cN/tex, much higher than the cotton value of
about 35 cN/tex.
Also due to the natural fibre properties, the
breaking elongation of hemp is very low (3,5%) compared to the cotton (8,5%). An
increase of the hemp elongation value would decisively improve the processing behavior.
The fibre length distribution of the steam
treated hemp corresponds in its values to the greatest possible extent to cotton.
The staple diagram of those fibres, foreseen for the ring spinning process, corresponds to
the required spinning parameter. Due to the dimensions of the raw hemp fibres, the
objective fibre length cannot be measured.
Further processing of fibres
According to the
selected spinning method and the fibre parameters dependent thereon, (see table 1.), the
elementarized fibres can be processed to slivers on common cotton machines using several
drawing frame passages, and submitted to rotor spinning machines. Fibres intended
for ring spinning are pre-spun to rovings after the drafting process, which can then be
spun on ring machines in three cylinder processes to yarn finenesses of Nm 10-15. In
comparison to traditional wet-spun yarns, the produced yarns possess a higher flexibility
and a softer handling which is particularly advantageous for apparel.
Discussion
The first
spinning trials using steam exploded hemp fibres have shown that it is possible to produce
yarns of Nm 10 - Nm 15 fineness without special process modifications. Due to
particular fibre surface structures after steam explosion, an outstanding sliver adhesion
is guaranteed for the necessary stability of pre-spuns required in industrial
spinning. By appropriate material preparation, a natural related, fibre stiffness
can be further reduced. Current tests have shown, that in the application of more
homogenous raw materials and a further optimizing of the process technique, the quality of
the produced fibre material is improved and that a potential fineness of the intended yarn
for production, can be increased to degrees of Nm 20 - Nm 30. The use of certain
unretted qualities in the production of fine yarn is possible, however, for technical and
economical reasons, it is advantageous to have at least, a semi-retted, high quality
output material.
A requirement in rotor or open-end spinning is
well cleaned fibres, as trash and dirt particles can accumulate in the rotor and can lead
to interferences in production. After steam explosion, according to the assigned raw
material, the hemp fibres show a high degree of purity, which can be completed as required
by a wash or bleaching process using hydrogen peroxide. Due to the surface
properties of the fibres, there is also a sufficient fibre-fibre friction also after
bleaching, to gain a good sliver adhesion for spinning wiyhout using appropriate spin
finishing agents. The yarns intended to be optimized for industrial purpose, shall
be used for apparel. A further improvement of the flexibility and the mechanical
behavior of the yarns can lead to fine, knitted hemp products.
Further developments and perspectives
Within current
research activities at the IAF in the area of hemp, particular reference is given to the
classification of raw material and quality assesment of raw material and products.
The main themes therein are the development and adaptation of measuring methods as well as
their standardization. Development aims in the area of process optimization and
product development are new fibre types, which can be applied for industrial use in woolen
and worsted spinning. The same applies in the optimization of processing techniques
for the production of yarns in cotton spinning. Here, an improvement of optical and
technical characteristics are required, as well as the adaptation of spinning machine
parameters.
Hemp fibres also possess an extensive
development and product potential in the area of non textile application. Surface
modifications of fibres made possible by steam explosion open numerous areas of use in the
sector of conposites and non - wovens. The development of new ecological,
economical, and purposeful technical products utilizing the specific advantages of hemp
fibres currently presents a main theme for further research.
1) Nm= yarn fineness metric number, running length of
thread per g yarn weight
2) The omission of technical detail is due to reasons of patent
Acknowledgments
Many thanks to the colleagues involved in the hemp
research. Prof. Dr. A. Schenek, D. Signer, H. Werner, W. Hoffmann, S. Kühnen.
References